Пералня за вграждане със сушилня Bosch WKD28543EU | Aspirator.bg - Кухненски аспиратори и уреди за вграждане

Пералня за вграждане със сушилня Bosch WKD28543EU Bosch

Цветове
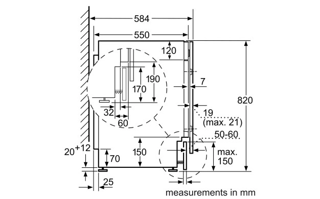
Размери

До края на промоцията остават:

Дни
Часа
Мин.
Сек.
Количество
259900лв. / 132885
279900лв.

Пералня за вграждане със сушилня Bosch WKD28543EU

 

  • Перална със сушилна с AutoDry (автоматично сушене): надеждно пране на дрехите ви и нежно изсушаване до желаната степен.
  • капацитет 7/4 кг дрехи: пране 7 кг, сушене 4 кг.
  • Спортни дрехи: идеална за нежно изпиране и изсушаване на текстил като микрофибър, синтетика или функционални влакна.
  • Нощна програма за пране: специална програма за изпиране, която намалява оборотите за пране, дори през нощта.
  • Quick 15’: Цикъл бързо пране, пере до 2 кг пране само за 15 мин.
  • AquaStop: защита срещу наводнения – за целия жизнен цикъл на уреда.
  •  
  • Технически данни
  • WKD28543EU | Серия 6 – Пералня за вграждане със сушилня 7/4 kg
  •  
  • Мощност и потребление
  • Клас на енергийна ефективност пране и сушене¹: E
  • Клас на енергийна ефективност пране²: E
  • Енергия³ / вода⁴ пране и сушене: 266 kWh / 68 литра
  • Енергия⁵ / Вода⁶ пране: 77 kWh / 44 литра
  • Капацитет: Пране и сушене / пране: 1 – 4 кг / 1 – 7 кг
  • Продължителност на програмата⁷ Пране и сушене / пране: 5:30 ч: мин / 2:50 ч: мин
  • Клас на ефективност на центрофугиране: B
  • Скорост на центрофугиране **: 400 – 1355 U / min
  • Ниво на шум: 72 dB (A) re 1 pW
  • Клас на ефективност на шума: A
  •  
  • Програми
  • Специална програма за сушене: нежно изсушаване
  •  
  • Функции
  • Бутони: старт, избор на обороти, промяна, меню, сушене, температура und 24 ч предварителен избор на край на програмата
  •  
  • Комфорт и сигурност
  • AquaStop с доживотна гаранция
  • Голям дисплей за показване хода на програмата, температурата, оборотите, оставащото време и отложения старт до 24 ч, цели на сушенето
  • Електронно управление на всички програми за пране и специални програми.
  • Оптимизиращи времето програми, Автоматично сушене
  • AquaSpar система за намокряне на прането
  • Автоматика за количество
  • Разпознаване на пяната
  • Автоматика за стабилизиране
  • Звуков сигнал за край на програмата
  • Защита от деца: блокиране на програмите и вратата
  • Стъклена врата
  • Странично отваряне, наляво
  • Метална кука за затваряне на вратата
  • Магнитно заключване за моментално отваряне на вратата в края на програмата
  •  
  • Техническа информация
  • Регулируема височина на основата: 16.5 см
  • Регулируема дълбочина на основата: 6.5 см
  • Размери (В х Ш х Д): 82.0 см x 59.5 см x 58.4 см
  • Регулируеми отпред задни крачета
  •  
  • За пълно вграждане
  • Модел BOSCH: WKD28543EU
  •  
  • ¹ ² Скала на класовете за енергийна ефективност от A до G
  • ³ Консумация на енергия в kWh за 100 пълни цикъла (в програма Eco 40-60)
  • ⁴ Претеглена консумация на вода в литри за пълен цикъл (в програма Eco 40-60)
  • ⁵ Консумация на енергия в kWh за 100 цикъла на пране (в програма Eco 40-60)
  • ⁶ Претеглена консумация на вода в литри за цикъл на пране (в програма Eco 40-60)
  • ⁷ Продължителност на програмата Eco 40-60, цикъл на пране и сушене / само цикъл на пране
  •  
  • ** Стойностите са закръглени.

СПЕЦИФКАЦИИ

Функции
  • Bosch-2+3

Широчина в см. 60
Цвят Бял
Капацитет на пране 7 kg
Капацитет на сушене 4 kg
Марка Bosch
Тип Мотор Инверторен

ОТ СЪЩАТА КАТЕГОРИЯ

5%

AEG LFR83844VE – пералня 8000 PowerCare, 8 kg, 1400 об./мин, UniversalDose

  • Широчина в см. 60
  • Цвят Бял
  • Клас на енергийна ефективност A
  • Капацитет на пране 8 kg
  • Максимални обороти 1400
  • Марка AEG
165500лв. / 84619
174900лв.
Икона количка бяла
6%

Electrolux EW7D495UE | Сушилня с термопомпа 9 кг DelicateCare

  • Широчина в см. 60
  • Цвят Бял
  • Клас на енергийна ефективност C
  • Капацитет на сушене 9 kg
  • Марка Electrolux
  • Тип Мотор Инверторен
139900лв. / 71530
149900лв.
Икона количка бяла
stamp
5%

AEG TR8384CE | Сушилня 8000 AbsoluteCare® Термопомпа 8 кг Wi-Fi

  • Широчина в см. 60
  • Клас на енергийна ефективност B
  • Цвят Бял
  • Капацитет на сушене 8 kg
  • Марка AEG
  • Тип Мотор Инверторен
178900лв. / 91470
188900лв.
Икона количка бяла
stamp
6%

AEG LFR85166SOE – Пералня 8000 PowerCare 10 кг UniversalDose Wi-Fi

  • Широчина в см. 60
  • Цвят Бял
  • Клас на енергийна ефективност A
  • Капацитет на пране 10 kg
  • Максимални обороти 1600
  • Марка AEG
  • Тип Мотор Инверторен
198900лв. / 101696
212900лв.
Икона количка бяла
stamp
6%

AEG LWR73064OE – Пералня със сушилня 7000 ProSteam® 11/7 кг UniversalDose Wi-Fi

  • Широчина в см. 60
  • Цвят Бял
  • Клас на енергийна ефективност D
  • Максимални обороти 1600
  • Капацитет на сушене 7 kg
  • Марка AEG
  • Капацитет на пране 11 kg
191900лв. / 98117
204900лв.
Икона количка бяла
stamp
7%

AEG LWR73044BE – Пералня със сушилня 7000 ProSteam®

  • Широчина в см. 60
  • Цвят Бял
  • Клас на енергийна ефективност D
  • Максимални обороти 1400
  • Капацитет на сушене 7 kg
  • Марка AEG
  • Капацитет на пране 11 kg
  • Тип Мотор Инверторен
179900лв. / 91981
194900лв.
Икона количка бяла
stamp
5%

Electrolux EW7W2682E – Пералня със сушилня 700 SteamCare

  • Широчина в см. 60
  • Цвят Бял
  • Клас на енергийна ефективност D
  • Капацитет на пране 8 kg
  • Максимални обороти 1600
  • Капацитет на сушене 5 kg
  • Марка Electrolux
  • Тип Мотор Инверторен
146900лв. / 75109
154900лв.
Икона количка бяла
stamp
8%

Пералня със сушилня AEG LFR73044SCE (11 кг / 7 кг) – Серия 7000 ProSteam®

  • Широчина в см. 60
  • Цвят Бял
  • Клас на енергийна ефективност D
  • Максимални обороти 1400
  • Капацитет на сушене 7 kg
  • Марка AEG
  • Капацитет на пране 11 kg
159900лв. / 81756
174900лв.
Икона количка бяла

Слим пералня AEG LSR6E26DE

  • Широчина в см. 60
  • Клас на енергийна ефективност B
  • Цвят Бял
  • Капацитет на пране 6 kg
  • Максимални обороти 1200
  • Марка AEG
97900лв. / 50055
Икона количка бяла